
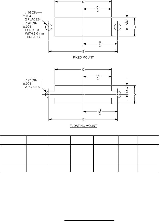
MIL-DTL-55302/142C
Inches
mm
.004
0.10
.116
2.95
.126
3.20
.197
5.00
Number of
17
29
33
41
53
65
Contacts
B ± .008
1.200
1.800
2.000
2.400
3.000
3.600
(± 0.20)
(30.48)
(45.72)
(50.80)
(60.96)
(76.20)
(91.44)
C minimum
1.020
1.618
1.819
2.221
2.819
3.422
(25.91)
(41.10)
(46.20)
(56.41)
(71.60)
(86.92)
D minimum
.374
.374
.374
.374
.374
.374
(9.45)
(9.45)
(9.45)
(9.45)
(9.45)
(9.45)
NOTES:
1. Dimensions are in inches.
2. Metric equivalents are given for information only.
3. Unless otherwise specified, tolerance is ± .005 (0.13 mm).
4. Floating mount panel thickness .085 (2.15 mm) maximum.
FIGURE 5. Recommended panel cutouts.
6