
INCH-POUND
MIL-DTL-55302/170B
13 May 2005
SUPERSEDING
MIL-C-55302/170A(USAF)
10 June 1986
DETAIL SPECIFICATION SHEET
CONNECTORS, PRINTED CIRCUIT SUBASSEMBLY AND ACCESSORIES:
LOW MATING FORCE, FEMALE BRUSH, RIGHT ANGLE, POLARIZED,
FOR MULTILAYERED PRINTED WIRING BOARD (.100 SPACING)
This specification is approved for use by all Departments and Agencies of the Department of Defense.
The requirements for acquiring the product described herein shall consist of this specification sheet and
MIL-DTL-55302.
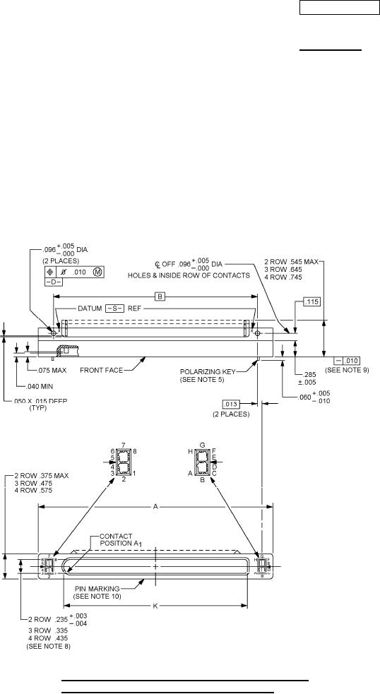
FIGURE 1. Connector, female brush, right angle for multilayered
printed wiring boards .100 (2.54 mm) spacing.
AMSC N/A
FSC 5935
For Parts Inquires submit RFQ to Parts Hangar, Inc.
© Copyright 2015 Integrated Publishing, Inc.
A Service Disabled Veteran Owned Small Business