
MIL-DTL-55302/170B
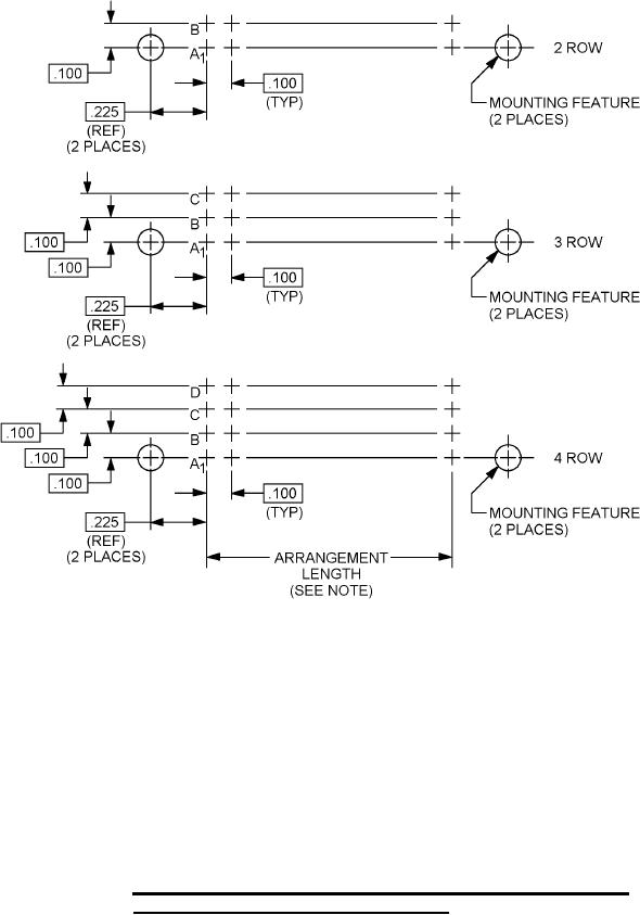
FIGURE 2. Insert arrangement for .100 (2.54 mm) contact spacing, female brush
right angle connectors (PCB mounting side).
3
For Parts Inquires submit RFQ to Parts Hangar, Inc.
© Copyright 2015 Integrated Publishing, Inc.
A Service Disabled Veteran Owned Small Business