emilspec
An Integrated Publishing, Inc. Site
eMilSpec
An Integrated Publishing Website
MIL-DTL-55302-172 Connectors, Printed Circuit Subassembly And Accessories: Hardware, Coupling And Locking
Pages
1
-
2
-
3
-
4
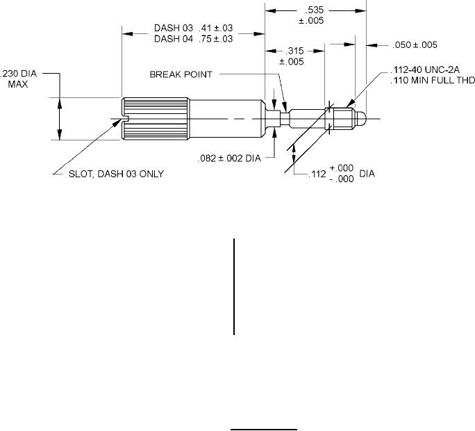
MIL-DTL-55302/172A
Inches
mm
Inches
mm
.000
0.00
.110
2.79
.002
0.51
.112
2.84
.003
0.08
.230
5.84
.005
0.13
.315
8.00
.03
0.8
.41
10.41
.050
1.27
.535
13.59
.082
2.08
.75
19.1
FIGURE 2. Locking screw.
2