
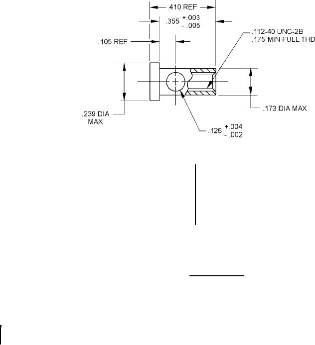
MIL-DTL-55302/172A
Inches
mm
Inches
mm
.002
.051
.126
3.20
.003
0.08
.175
4.45
.004
0.10
.239
6.07
.005
0.13
.355
9.02
.105
2.67
.410
10.41
.112
2.84
NOTES:
1. Dimensions are in inches.
2. Metric equivalents are given for information only.
FIGURE 3. Locking bushing.
Requirements:
Dimensions and configurations: See figures 1 through 3.
Material: Stainless steel in accordance with MIL-DTL-55302.
Part or Identifying Number (PIN): M55302/172-(dash number from table I)
Used in connectors: See table I.
User instructions: Each shipment of hardware shall include, as a minimum instructions for
coupling/mounting bushing usage.
3