
INCH-POUND
MIL-DTL-55302/177C
23 January 2008
SUPERSEDING
MIL- DTL-55302/177B
13 September 2002
DETAIL SPECIFICATION SHEET
CONNECTORS, PRINTED CIRCUIT SUBASSEMBLY AND ACCESSORIES:
3 ROW, RECEPTACLE ASSEMBLIES, RIGHT ANGLE, 75 THROUGH 405 CONTACT POSITIONS,
FOR PRINTED WIRING BOARDS (.100 SPACING)
This specification is approved for use by all Departments and
Agencies of the Department of Defense.
The requirements for acquiring the product described herein shall consist of this specification sheet and
MIL-DTL-55302.
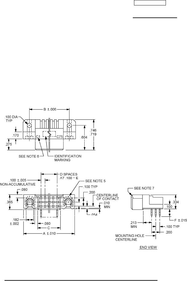
FIGURE 1. Connectors, receptacle assemblies .100 (2.54 mm) spacing, 75 through 225 contacts.
AMSC N/A
FSC 5935
For Parts Inquires submit RFQ to Parts Hangar, Inc.
© Copyright 2015 Integrated Publishing, Inc.
A Service Disabled Veteran Owned Small Business