
MIL-DTL-55302/177C
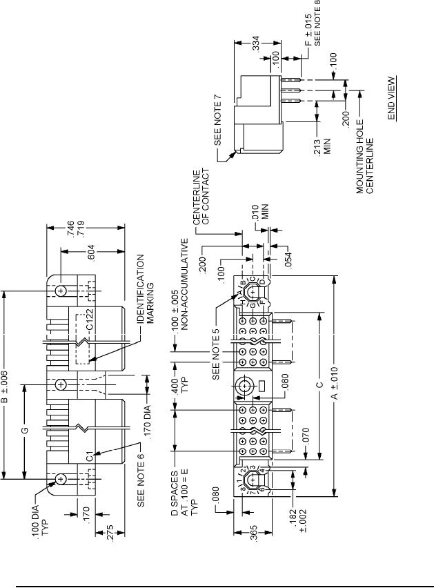
FIGURE 2. Connectors, receptacle assemblies .100 (2.54 mm) spacing with one guide, 240 through 366 contacts.
3
For Parts Inquires submit RFQ to Parts Hangar, Inc.
© Copyright 2015 Integrated Publishing, Inc.
A Service Disabled Veteran Owned Small Business