
INCH-POUND
MIL-DTL-83517/10A
31 May 2005
SUPERSEDING
MIL-C-83517/10
20 September 1982
DETAIL SPECIFICATION SHEET
CONNECTOR, RECEPTACLES, ELECTRICAL, COAXIAL, RADIO FREQUENCY,
STRIP OR MICROSTRIP TRANSMISSION LINE,
SERIES SMA (SOCKET CONTACT, FLANGE MOUNTED)
This specification is approved for use by all Departments and Agencies of the Department of Defense.
The requirements for acquiring the product described herein shall consist of
this specification sheet and MIL-C-83517.
Inches
mm
Inches
mm
.001
.03
.0370
.940
.004
.10
.065
1.65
.005
.13
.080
2.03
.006
.15
.102
2.59
.010
.25
.112
2.84
.0355
.902
.223
5.66
.2405
6.109
.4810
12.217
.635
15.88
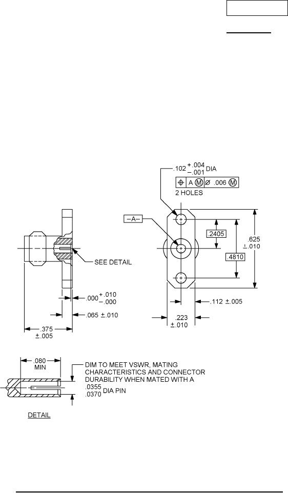
FIGURE 1. Series SMA socket contact, 2 hole (.223 inch wide) flange mounted receptacle.
AMSC N/A
FSC 5935
For Parts Inquires submit RFQ to Parts Hangar, Inc.
© Copyright 2015 Integrated Publishing, Inc.
A Service Disabled Veteran Owned Small Business