
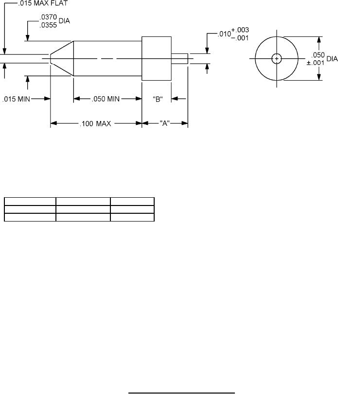
MIL-DTL-83517/10A
Inches
mm
.001
.03
.002
.05
.003
.08
"A" dim.
"B" dim.
Panel
.010
.25
.015
.38
.136 ±.010
.080 ±.002
.062
.0355
.90
.198 ±.010
.142 ±.002
.125
.0370
.94
.050
1.27
.062
1.57
.073
1.85
.080
2.03
.100
2.54
.125
3.18
.136
3.45
.142
3.61
.198
5.03
NOTES:
1. Dimensions are in inches.
2. Metric equivalents are given for information only.
3. All undimensioned pictorial configurations are for reference purposes only.
4. See table I.
FIGURE 8. Transition pin (.050 inch contact).
8
For Parts Inquires submit RFQ to Parts Hangar, Inc.
© Copyright 2015 Integrated Publishing, Inc.
A Service Disabled Veteran Owned Small Business