
MIL-DTL-83517/10A
NOTES:
1.
Dimensions are in inches.
2.
Metric equivalents are given for information only.
3.
All undimensioned pictorial configurations are for reference purposes only.
4.
Number two screws are suggested for mounting.
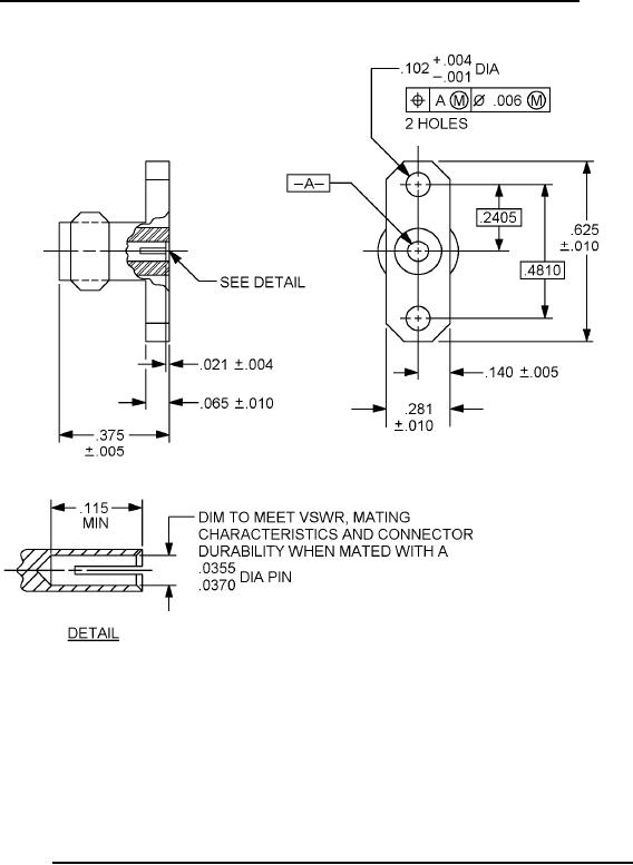
FIGURE 1. Series SMA socket contact, 2 hole (.223 inch wide) flange mounted receptacle (Continued).
Inches
mm
Inches
mm
.001
.03
.0370
.940
.004
.10
.065
1.65
.005
.13
.102
2.59
.006
.15
.115
2.92
.010
.25
.140
3.56
.021
.53
.2405
6.11
.0355
.902
.281
7.14
.375
9.53
NOTES:
.4810
12.22
1. Dimensions are in inches.
.625
15.88
2. Metric equivalents are given for information only.
3 All undimensioned pictorial configurations are for reference purposes only.
4. Number two screws are suggested for mounting.
FIGURE 2. Series SMA, socket contact 2 hole (.281 inch wide) flange mounted receptacle.
2
For Parts Inquires submit RFQ to Parts Hangar, Inc.
© Copyright 2015 Integrated Publishing, Inc.
A Service Disabled Veteran Owned Small Business