
INCH-POUND
MIL-DTL-9177/1C(USAF)
25 November 2002
SUPERSEDING
MIL-C-9177/1B(USAF)
12 September 1988
DETAIL SPECIFICATION SHEET
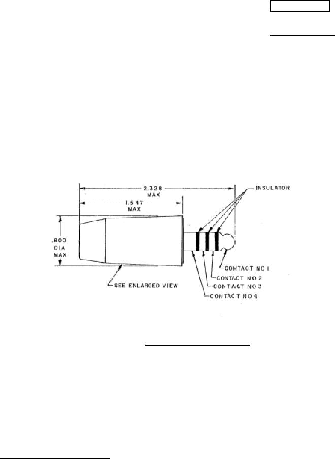
CONNECTOR, AUDIO, AIRBORNE, PLUG, 4 CONTACT
This specification is approved for use by the Department of the Air Force and is
available for use by all Departments and Agencies of the Department of Defense.
The requirements for acquiring the product described
herein shall consist of this specification and MIL-C-9177.
FIGURE 1. Dimensions and configurations.
AMSC N/A
1 of 4
FSC 5935
DISTRIBUTION STATEMENT A. Approved for public release; distribution is unlimited.