
MIL-DTL-9177/1C(USAF)
Inches
mm
Inches
mm
Inches mm
Inches mm
.003
0.08
.125
3.18
.280
7.11
.421 10.69
.010
0.25
.156
3.96
.282
7.16
.475 12.06
.015
0.38
.171
4.34
.311
7.90
.516 13.11
.0156
0.396
.185
4.70
.313
7.95
.547 13.89
.020
0.51
.191
4.85
.318
8.08
.582 14.78
.031
0.79
.197
5.00
.346
8.79
.598 15.19
.0312
0.792
.203
5.16
.350
8.89
.672 17.07
.076
1.93
.249
6.32
.359
9.12
.703 17.86
.080
2.03
.250
6.35
.395 10.03
.800 20.32
.090
2.29
.251
6.38
.401 10.19
1.547 39.29
.094
2.39
.275
6.98
.407 10.34
2.328 59.13
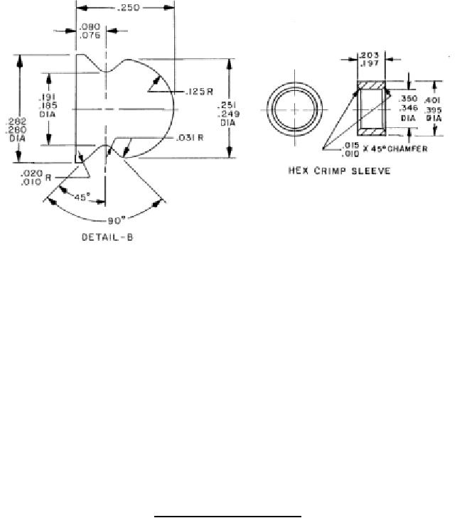
NOTES:
1. Dimensions are in inches.
2. Metric equivalents are given for general information only.
3. Unless otherwise specified, tolerance is ± .005 (0.13 mm).
4. All dimensions are after plating.
5. Undimensioned pictorial representations are for reference purposes only.
FIGURE 1. Dimensions and configurations Continued.
REQUIREMENTS:
Dimensions and configuration: See figure 1.
Crimp sleeve: The crimp sleeve requirement is applicable.
3