emilspec
An Integrated Publishing, Inc. Site
eMilSpec
An Integrated Publishing Website
MIL-DTL-9177-1 Connector, Audio, Airborne, Plug, 4 Contact
Pages
1
-
2
-
3
-
4
FIGURE
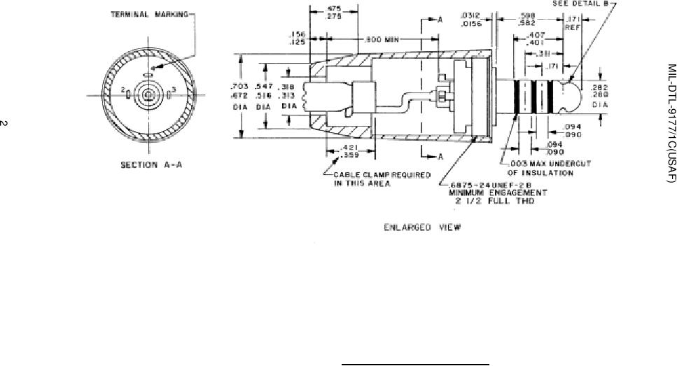
1. Dimensions and configutrations. Continued.