
INCH-POUND
MIL-PRF-39012/16H
16 November 2006
SUPERSEDING
MIL-PRF-39012/16G
26 September 1994
PERFORMANCE SPECIFICATION SHEET
CONNECTORS, PLUGS, ELECTRICAL, COAXIAL RADIO FREQUENCY,
(SERIES BNC (CABLED), PIN CONTACT, CLASS 2)
This specification is approved for use by all Departments
and Agencies of the Department of Defense.
The requirements for acquiring the product described herein shall
consist of this specification sheet and MIL-PRF-39012.
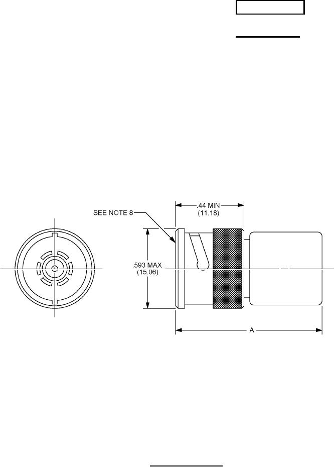
NOTES:
1. Dimensions are in inches.
2. Metric equivalents are given for information only.
3. For dimension A, see tables I and III.
4. Dimension .593 inch (15.06 mm) is the largest overall diameter of the connector.
5. Wrench flats are to accommodate standard wrench opening in accordance with FED-STD-H28,
appendix 10.
6. All undimensioned pictorial representations are for reference purposes only.
7. Dimension A defines the maximum length of the connector when assembled to the appropriate
cable.
8. Series BNC, pin contact interface in accordance with MIL-STD-348.
FIGURE 1. General configuration.
AMSC N/A
FSC 5935
For Parts Inquires submit RFQ to Parts Hangar, Inc.
© Copyright 2015 Integrated Publishing, Inc.
A Service Disabled Veteran Owned Small Business