
MIL-PRF-39012/16H
Inches
mm
Inches
mm
Inches
mm
Inches
mm
.001
0.03
.033
0.84
.145
3.68
.220
5.59
,002
0.05
.035
0.89
.175
4.45
.230
5.84
.003
0.08
.040
1.02
.183
4.65
.235
5.97
.005
0.13
.043
1.09
.206
5.23
.245
6.22
.015
0.38
.067
1.70
.210
5.33
.250
6.35
.017
0.43
.083
2.11
.212
5.38
.478
12.14
.500
12.70
Crimp
Color
Color
A
tensile
band
band
Basic crimp
Crimp die or
Dash
Contact no.
B
+0.001
pounds
tool 2/
1/
positioner
no.
min.
-0.002
(N)
.005 +.003
10 lbs
Orn
X501
16 12
0.033
-.000
(44.48)
x 45°
M22520/1-
M22520/1-
01
12
.005 +.003
6 lbs
Yellow
X502
16 11
0.017
Blue
.- 000
(26.69)
x 30°
.005 +.003
M22520/1-
M22520/1-
20 lbs
X503
Red
16 10
0.043
-.000
01
12
(88.96)
X504
x 45°
1/
Contact numbers and ferrule numbers are for identification only.
2/
Class 2 tool may be used by OEM (see MIL-DTL-22520).
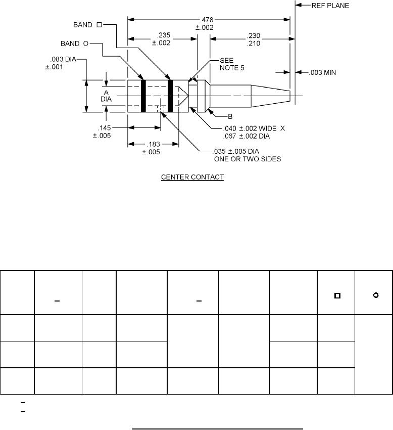
FIGURE 3. Contact and ferrule dimensions for category D only.
6
For Parts Inquires submit RFQ to Parts Hangar, Inc.
© Copyright 2015 Integrated Publishing, Inc.
A Service Disabled Veteran Owned Small Business