
INCH-POUND
MIL-PRF-39012/17H
16 November 2006
SUPERSEDING
MIL-PRF-39012/17G
26 September 1994
PERFORMANCE SPECIFICATION SHEET
CONNECTORS, PLUGS, ELECTRICAL, COAXIAL, RADIO FREQUENCY,
(SERIES BNC, (CABLED), SOCKET CONTACT, CLASS 2)
This specification is approved for use by all Departments
and Agencies of the Department of Defense.
The requirements for acquiring the product described herein shall consist of
this specification sheet and MIL-PRF-39012.
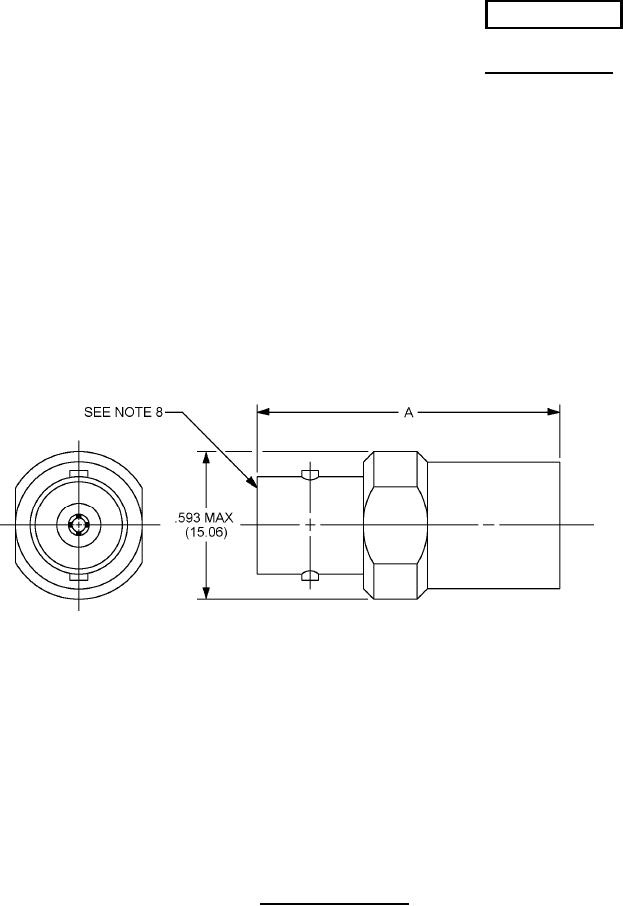
NOTES:
1. Dimensions are in inches.
2. Metric equivalents are given for information only.
3. For dimension A, see tables I and III.
4. Dimension .593 inch (15.06 mm) is the largest overall diameter of the connector.
5. Wrench flats (if required for assembly) are to accommodate standard wrench opening in
accordance with FED-STD-H28, appendix 10.
6. All undimensioned pictorial representations are for reference purposes only.
7. Dimension A defines the maximum length of the connector when assembled to the appropriate
cable.
8. Series BNC, socket contact interface in accordance with MIL-STD-348.
FIGURE 1. General configuration.
AMSC N/A
FSC 5935
For Parts Inquires submit RFQ to Parts Hangar, Inc.
© Copyright 2015 Integrated Publishing, Inc.
A Service Disabled Veteran Owned Small Business