
MIL-PRF-39012/17H
Inches
mm
0.05
.002
0.15
.006
0.25
.010
0.81
.032
.036
0.91
.077
1.96
NOTES:
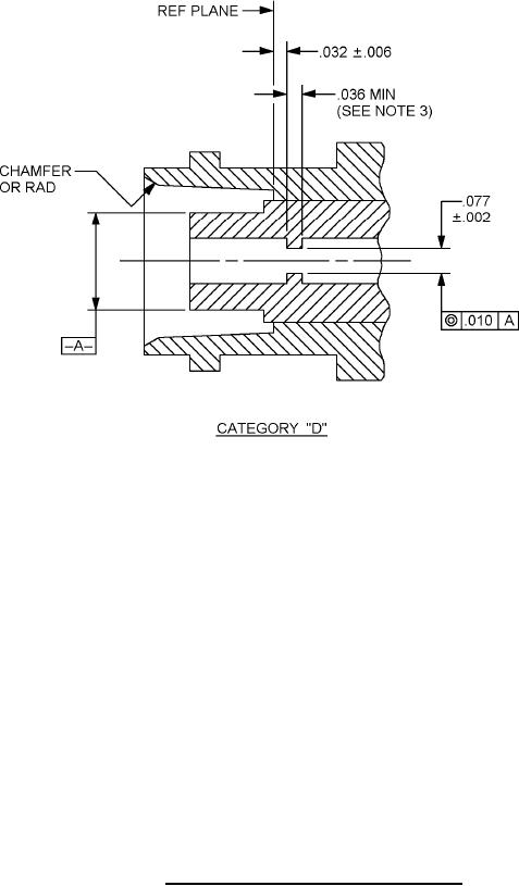
1. Dimensions are in inches.
2. Metric equivalents are given for information only.
3. Chamfer is optional.
4. Concave depression .100 inch (2.54 mm) x .005 inch (0.13 mm) deep between studs permissible.
FIGURE 2. Mating dimension for socket terminations.
2
For Parts Inquires submit RFQ to Parts Hangar, Inc.
© Copyright 2015 Integrated Publishing, Inc.
A Service Disabled Veteran Owned Small Business