
INCH-POUND
MIL-PRF-39012/40J
8 June 2011
SUPERSEDING
MIL-PRF-39012/40H
9 August 2006
PERFORMANCE SPECIFICATION SHEET
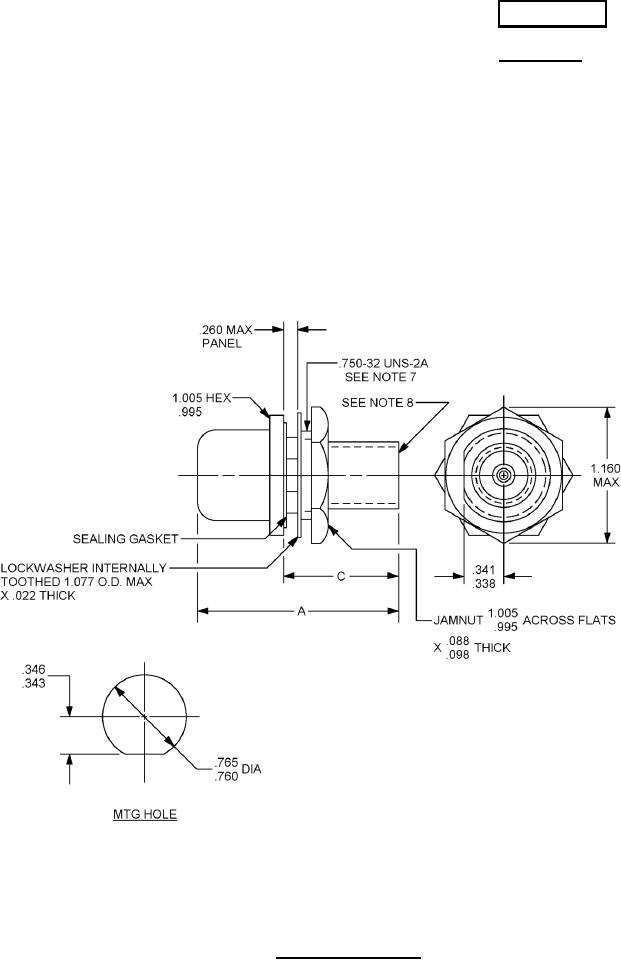
CONNECTORS, RECEPTACLE, ELECTRICAL, COAXIAL, RADIO FREQUENCY
(SERIES SC (CABLED), SOCKET CONTACT, JAM NUT, REAR MOUNTED, CLASS 2)
This specification is approved for use by all Departments
and Agencies of the Department of Defense.
The requirements for acquiring the product described herein shall
consist of this specification sheet and MIL-PRF-39012.
Inches
mm
Inches
mm
Inches
mm
Inches
mm
.022
0.56
.338
8.59
.750
19.05
1.005
25.53
.088
2.24
.341
8.66
.760
19.30
1.077
27.36
.098
2.49
.343
8.71
.765
19.43
1.160
29.46
.260
6.60
.346
8.79
.995
25.27
FIGURE 1. General configuration.
AMSC N/A
FSC 5935
For Parts Inquires submit RFQ to Parts Hangar, Inc.
© Copyright 2015 Integrated Publishing, Inc.
A Service Disabled Veteran Owned Small Business