
MIL-PRF-39012/40J
Ferrule No.
Basic crimp tool
Crimp die or
Dash No.
1/
A
B
C ±.015
2/
positioner
M22520/5-
X501
40-50
.492 ±.003
.438 ±.003
.600
25 closure A
M22520/5-01
or 61
X502
40-51
.492 ±.003
.418 ±.003
.600
X503
40-52
.250 ±.003
.220 ±.003
.500
5, 11, 57
closure A or
19 closure B
1/ Ferrule numbers are for identification only.
2/ Class 2 tools may be used by OEM (see MIL-DTL-22520).
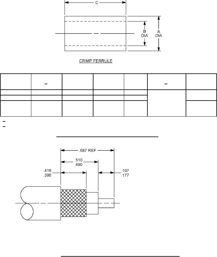
FIGURE 3. Contact and ferrule dimensions for category D only Continued.
Inches
mm
.177
4.50
.197
5.00
.396
10.06
.416
10.57
.490
12.45
.510
12.95
17.45
.687
NOTES:
1. Dimensions are in inches.
2. Metric equivalents are given for information only.
FIGURE 4. Cable stripping dimensions for field replaceable connectors.
7
For Parts Inquires submit RFQ to Parts Hangar, Inc.
© Copyright 2015 Integrated Publishing, Inc.
A Service Disabled Veteran Owned Small Business