
MIL-PRF-39012/40J
NOTES:
1. Dimensions are in inches.
2. Metric equivalents are given for information only.
3. For dimensions A and C, see tables I and III.
4. Wrench flats to accommodate standard wrench in accordance with FED-STD-H28.
5. Dimension A defines the maximum length of the connector when assembled to the appropriate
cable.
6. All undimensioned pictorial configurations are for reference purposes only.
7. Full threads to within .063 inch (1.60 mm) of shoulder.
8. Series SC, socket contact interface, in accordance with MIL-STD-348.
FIGURE 1. General configuration Continued.
Inches
mm
Inches
mm
.005
0.13
.190
4.82
.010
0.25
.200
5.08
.032
0.81
.492
12.49
.078
1.98
.498
12.65
.103
2.61
NOTES:
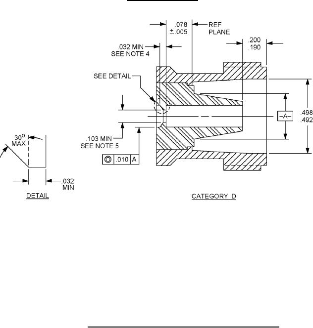
1. Dimensions are in inches.
2. Metric equivalents are given for information only.
3. All undimensioned pictorial configurations are for reference purposes only.
4. Chamfer is optional. If chamfer is used, put chamfer on a 30° maximum.
5. Dimension to meet connector performance requirements.
FIGURE 2. Mating dimensions for socket termination, category D only.
2
For Parts Inquires submit RFQ to Parts Hangar, Inc.
© Copyright 2015 Integrated Publishing, Inc.
A Service Disabled Veteran Owned Small Business