INCH-POUND MS3190G
9 July 2004
SUPERSEDING MS3190F
16 October 1952
DETAIL SPECIFICATION SHEET CONTACT, WIRE BARREL, CRIMP TYPE
This specification is approved for use by all Departments and
Agencies of the Department of Defense.
The requirements for acquiring the product described herein shall consist of this specification sheet.
This is a design standard not to be used as an MS part number.
Type A is inactive for new design, use types B or C.

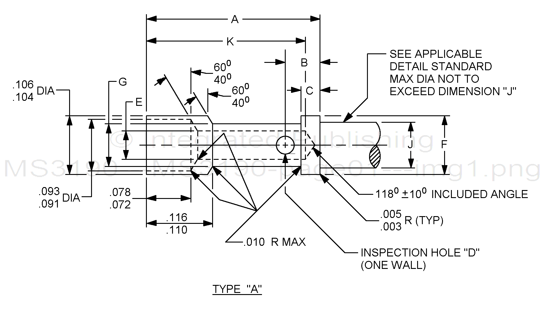
FIGURE 1. Dimensions and configurations, type A.
AMSC N/A FSC 5935
For Parts Inquires submit RFQ to Parts Hangar, Inc.
© Copyright 2015 Integrated Publishing, Inc.
A Service Disabled Veteran Owned Small Business