MS3190G

Inches |
mm |
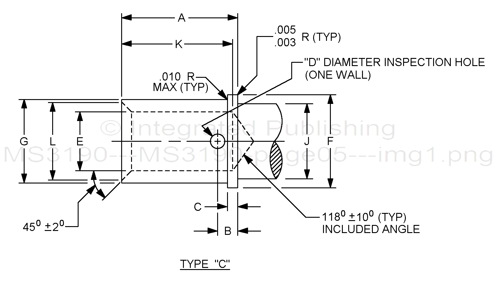
.003 |
.076 |
.005 |
.127 |
.010 |
.254 |
FIGURE 3. Dimensions and configurations, type C.
5
For Parts Inquires submit RFQ to Parts Hangar, Inc.
© Copyright 2015 Integrated Publishing, Inc.
A Service Disabled Veteran Owned Small Business