MS3190G

Inches |
mm |
Inches |
mm |
.003 |
.076 |
.034 |
.864 |
.005 |
.127 |
.060 |
1.524 |
.010 |
.254 |
.068 |
1.727 |
.030 |
.762 |
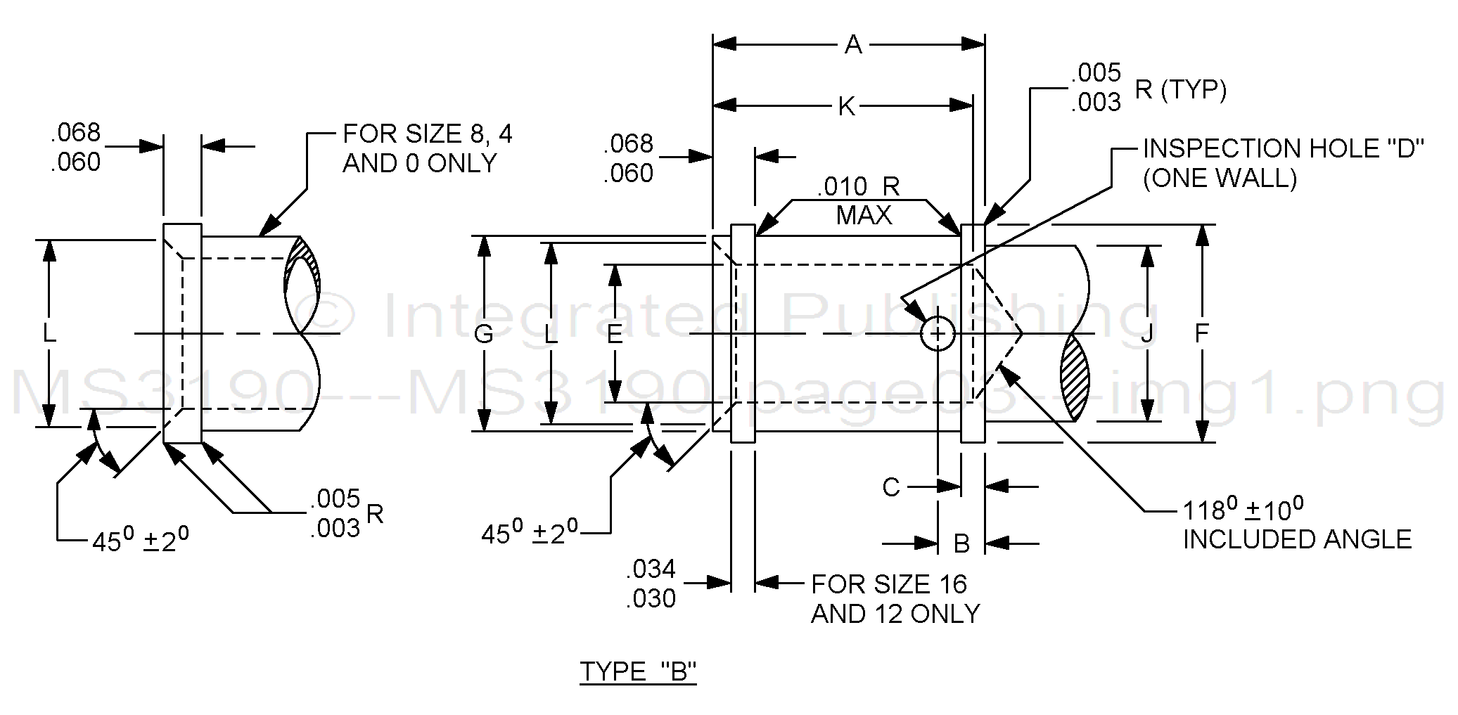
FIGURE 2. Dimensions and configurations, type B.
3
For Parts Inquires submit RFQ to Parts Hangar, Inc.
© Copyright 2015 Integrated Publishing, Inc.
A Service Disabled Veteran Owned Small Business