
MIL-DTL-12883/40F
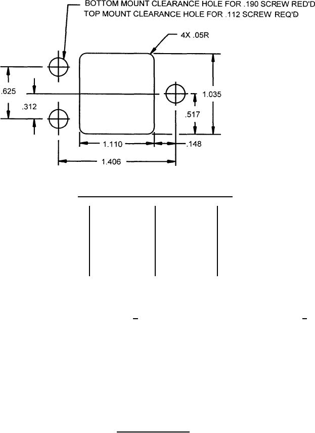
RECOMMENDED MOUNTING DIMENSIONS
Inches
mm
Inches
mm
Inches
mm
Inches
mm
25.91
1.020
8.51
.335
3.81
.150
0.30
.012
26.29
1.035
10.16
.400
4.83
.190
1.52
.06
27.43
1.080
10.24
.403
5.08
.200
1.98
.078
27.56
1.085
13.13
.517
5.59
.220
2.54
.100
28.19
1.110
15.24
.600
7.62
.300
2.84
.112
35.71
1.406
15.88
.625
6.92
.312
3.76
.148
44.20
1.74
25.78
1.015
NOTES:
1. Dimensions are in inches.
2. Metric equivalents are given for general information only.
3. Unless otherwise specified, tolerance is +005 inch (0.13 mm) for three place decimals and +.01
inch (0.25 mm) for two place decimals.
4. Point of electrical contact engagement, from mating face of socket insulator to the socket contact.
5. Marking shall be characters, which are molded .035 inch (0.89 mm) minimum. Ink marking optional
(see MIL-STD-1285).
6. Keyway is shown for loose stud mounting configuration only (see figure 2 detail A).
7. For mating relay (see table I).
8. Configuration mounting (see figures 2, 3, and table I).
9. Shape is optional.
10. Depth of hole for:
01 through 12 depth shall be .370 inch (9.40 mm) min.
13 through 24 depth shall be .233 inch (5.92 mm) min.
FIGURE 1. Socket configurations Continued.
4