
MIL-DTL-12883/40F
mm
Inches
mm
Inches
mm
Inches
4.83
.190
2.79
.110
0.08
.003
5.59
.220
2.84
.112
0.76
.030
6.22
.245
3.18
.125
0.97
.038
6.86
.270
3.56
.140
2.15
.085
7.37
.290
3.81
.150
2.36
.093
8.89
.350
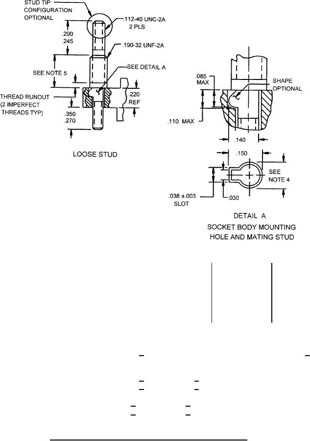
NOTES:
1. Dimensions are in inches.
2. Metric equivalents are for general information only.
3. Unless otherwise specified, tolerances are +.005 inch (0.13 mm) for three place decimals and +.01
inch (0.25 mm) for two place decimals.
4. The diameter for loose stud mating hole in the socket body shall be for:
01 through 06 diameter shall be .125 +.003 inch (3.18 +0.08 mm);
13 through 18 diameter shall be .116 +.003 inch (2.95 +0.08 mm).
5. Length from top of socket flange to base of .112-40 UNC-2A thread for:
01 through 06 length shall be .318 +0.10 inch (8.08 +0.25 mm).
13 through 18 length shall be .290 +0.10 inch (7.37 +0.25 mm).
FIGURE 2. Loose stud mounting (-01 through 06 and 13 through 18). Continued.
6