
INCH-POUND
MIL-DTL-12883/47D
18 February 2003
SUPERSEDING
MIL-PRF-12883/47C
7 September 1999
DETAIL SPECIFICATION SHEET
SOCKET, PLUG-IN ELECTRONIC COMPONENTS,
FOR RELAYS, 6-POLE, 10 AMPERES
(MIL-PRF-6106 AND MIL-PRF-83536)
This specification is approved for use by all Departments
and Agencies of the Department of Defense.
The requirements for acquiring the product described herein shall consist of
this specification and MIL-DTL-12883.
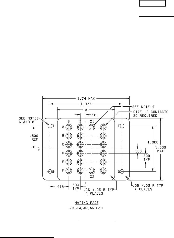
FIGURE 1. Socket configurations.
AMSC N/A
1 of 11
FSC 5935
DISTRIBUTION STATEMENT A. Approved for public release; distribution is unlimited.
For Parts Inquires submit RFQ to Parts Hangar, Inc.
© Copyright 2015 Integrated Publishing, Inc.
A Service Disabled Veteran Owned Small Business