
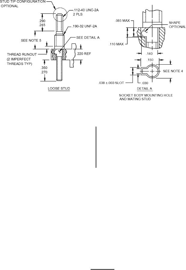
MIL-DTL-12883/47D
mm
Inches
mm
Inches
3.81
.150
0.08
.003
4.83
.190
0.76
.030
5.72
.220
0.97
.038
6.22
.245
2.15
.085
6.86
.270
2.79
.110
7.37
.290
2.84
.112
8.89
.350
3.56
.140
NOTES:
1. Dimensions are in inches.
2. Metric equivalents are for general information only.
3. Unless otherwise specified, tolerances are ± .005 inch (0.25 mm) for three place decimals
and ± .01 inch (0.25 mm) for two place decimals.
4. The diameter for the loose stud mating hole in the socket body shall be:
-01, and -02, diameter shall be .116 ± .003 inch (2.95 ± 0.08 mm).
-07, and -08, diameter shall be .125 ± .003 inch (3.18 ± 0.08 mm).
5. Length from top of socket flange to base of .112-40 UNC-2A thread:
-01, -02, -04, -05 length shall be .290 inch (7.37 mm.).
-07, -08, -10, -11 length shall be .318 inch (8.08 mm).
FIGURE 5. Studs loose.
6
For Parts Inquires submit RFQ to Parts Hangar, Inc.
© Copyright 2015 Integrated Publishing, Inc.
A Service Disabled Veteran Owned Small Business