
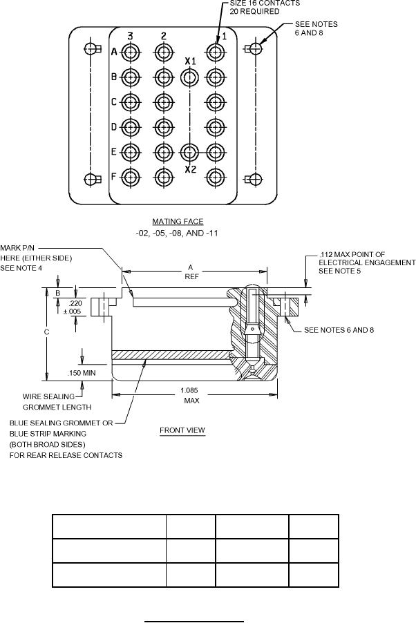
MIL-DTL-12883/47D
Dash number
A
B
C max
(mm)
(mm)
(mm)
-01, -02, -04, and -05
1.0175
.093
.890
(27.31)
(2.36)
(22.61)
-07, -08, -10, and -11
1.025
.140 - .135
1.250
(26.04)
(3.56 - 3.43)
(31.75)
FIGURE 1. Socket configurations - Continued.
2
For Parts Inquires submit RFQ to Parts Hangar, Inc.
© Copyright 2015 Integrated Publishing, Inc.
A Service Disabled Veteran Owned Small Business