
MIL-DTL-12883/47D
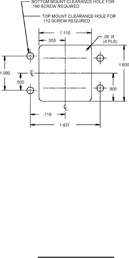
Inches
mm
.05
1.27
.112
2.84
.190
4.83
.500
12.70
.555
14.10
.719
18.26
.800
20.32
1.000
25.40
1.110
28.19
1.437
36.25
1.600
40.64
NOTES:
1. Dimensions are in inches.
2. Metric equivalents are for general information only.
3. Unless otherwise specified, tolerances are ± .005 inch (0.25 mm) for three place decimals and ± .01
inch (0.25 mm) for two place decimals.
FIGURE 2. Recommended mounting dimensions.
4
For Parts Inquires submit RFQ to Parts Hangar, Inc.
© Copyright 2015 Integrated Publishing, Inc.
A Service Disabled Veteran Owned Small Business