
MIL-DTL-24231/4E(SH)
+0.003
0.821 -0.003
+0.001
0.051R -0.001
2.750-12UN-2A
0.812
1
4
1
16R
2.366
5
DRILL
Ø 2.362
16
1
THRU.
16
2.036
Ø 2.032
Ø23
4
Ø1.642
30°
32
13
1
32
8
1
INSULATING DISK Ø1.662
9
2
32
BY 11 THK (PRESS FIT)
0.594
6
M24231/4-021
0.562
25
132
125 ALL OVER
EXCEPT AS SHOWN
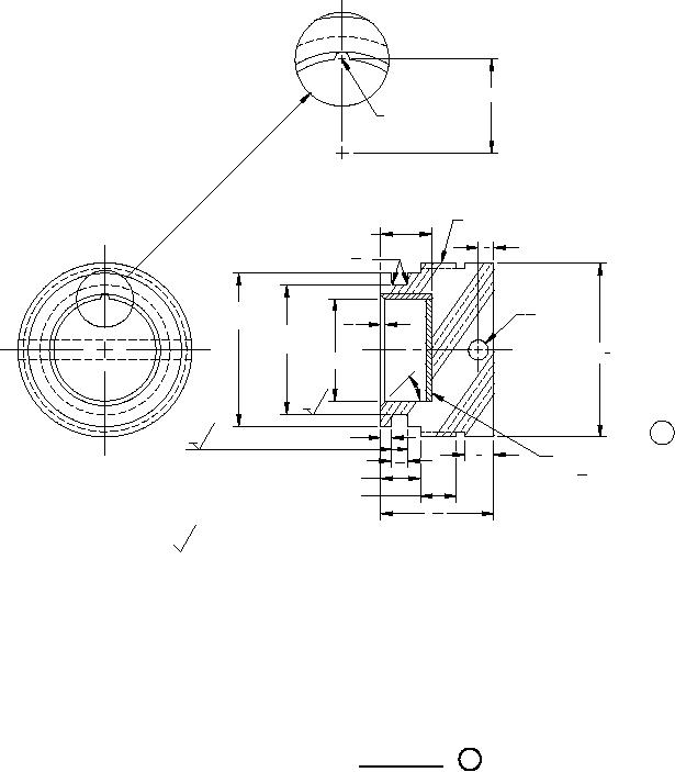
FIGURE 7. Sealing plug. 15
8
For Parts Inquires submit RFQ to Parts Hangar, Inc.
© Copyright 2015 Integrated Publishing, Inc.
A Service Disabled Veteran Owned Small Business