
INCH-POUND
MIL-DTL-641/20B
15 November 2013
SUPERSEDING
MIL-J-641/21A
12 November 1993
DETAIL SPECIFICATION SHEET
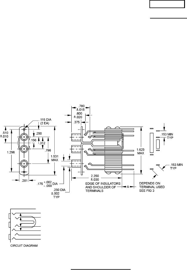
JACKS, (BANTAM) TELEPHONE, 3 CONDUCTOR, TRIPLE
This specification is approved for use by all Departments and
Agencies of the Department of Defense.
The requirements for acquiring the product described herein shall
consist of this specification sheet and MIL-DTL-641.
Dash numbers -1 and -2 (4 breaks connected and monitor)
FIGURE 1. Dimensions and configurations.
AMSC N/A
FSC 5935