
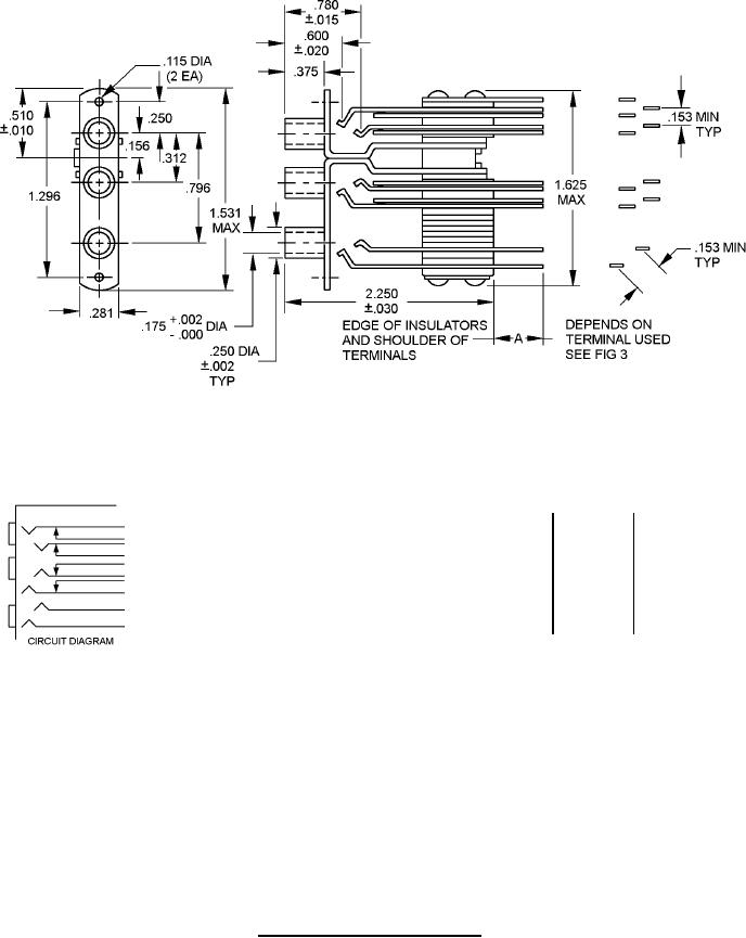
MIL-DTL-641/20B
Inches
mm Inches mm
Inches
mm
.002
0.05 .156 3.96
.600
15.24
.010
0.25 .175 4.44
.780
19.81
.015
0.38 .250 6.35
.796
20.22
.020
0.51 .281 7.14
1.296
32.92
.030
0.76 .312 7.92
1.531
38.89
.115
2.92 .375 9.53
1.625
41.28
.153
3.89 .510 12.95
2.250
57.15
Dash numbers -5 and -6 (4 breaks and monitor)
NOTES:
1. Dimensions are in inches.
2. Metric equivalents are given for information only.
3. All dimensions are after plating.
4. Wire shunts are permitted.
5. All undimensioned pictoral features are for reference purposes only.
6. For wirewrap type jacks, terminal and contact interconnecting jumpers shall not interfere with
commonly used wirewrap tools.
FIGURE 1. Dimensions and configurations Continued.
3