emilspec
An Integrated Publishing, Inc. Site
eMilSpec
An Integrated Publishing Website
MIL-DTL-641-20 Jacks, \(Bantam\) Telephone, 3 Conductor, Triple
Pages
1
-
2
-
3
-
4
-
5
-
6
-
7
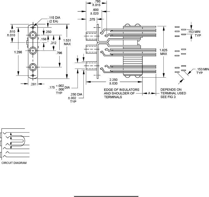
MIL-DTL-641/20B
Dash numbers
-3 and -4 (6 breaks)
FIGURE 1. Dimensions and configurations
Continued.
2