
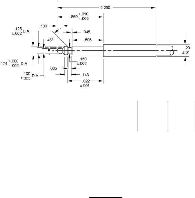
MIL-DTL-641/20B
Inches
mm
Inches
mm
Inches
mm
.001
0.03
.065
1.65
.290
7.4
.002
0.05
.100
2.54
.506
12.85
.003
0.08
.125
3.18
.622
15.80
.005
0.13
.143
3.63
.860
21.84
.010
0.25
.150
3.81
2.250
57.15
.045
1.14
.174
4.42
1.
Dimensions are in inches.
2.
Metric equivalents are given for information only.
3.
All dimensions are after plating.
4.
Finger shall be hardened to Rockwell C 60-62, polished, and then hard-chromium plated to .0003
inch (0.008 mm) maximum thickness.
5. Concentricity shall be .003 (0.08 mm) total indicator reading.
FIGURE 2. Test plug TP-777.
4