
MIL-DTL-24231/11E(SH)
7
4 X 0.138-32NC-2B,
32.
TAP DRILL PILOT
SHALL NOT EXCEED
0.250 MAX DEPTH.
4
1
222°
6
7
45°
1
222°
17R
8
C
2
1
L
1
222°
45°
8
5
30°
3
TOP OF COVER
17
8
LOCATION 1, 2, 3, & 4
113
6
LOCATION 5, 6, 7, & 8
1
8 X Ø18
Ø113
3
16
16
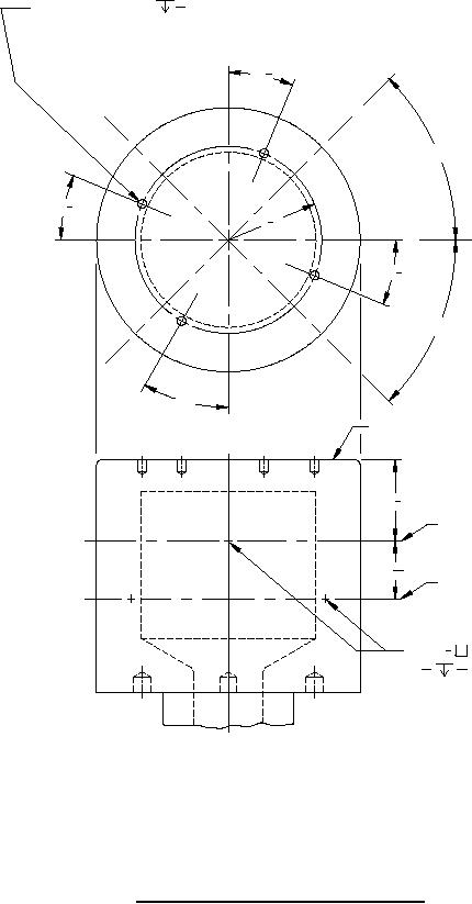
FIGURE 6. Location of receptacles for M24231/11-005.
8
For Parts Inquires submit RFQ to Parts Hangar, Inc.
© Copyright 2015 Integrated Publishing, Inc.
A Service Disabled Veteran Owned Small Business