
MIL-DTL-24231/11E(SH)
7
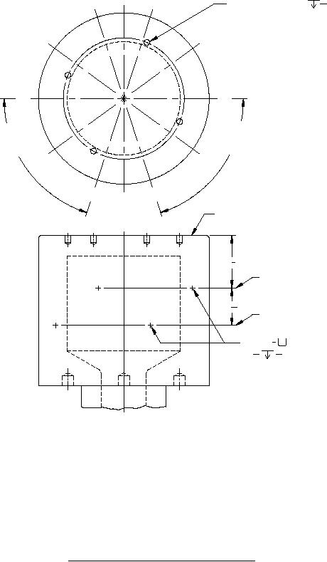
4 X 0.138-32NC-2B,
8
9
32
TAP DRILL PILOT SHALL
NOT EXCEED 0.250 MAX
DEPTH. LAYOUT SAME
10
7
AS FOR M24231/11-005.
6
1
BOTTOM ROW 5
TOP ROW 5
RECEPTACLES
RECEPTACLES
72° APART.
72° APART.
2
5
4
3
TOP OF COVER
17
8
LOCATION 1, 3, 5, 7, & 9
113
6
LOCATION 2, 4, 6, 8, & 10
1
10 X Ø18
3
13
Ø116
16
FIGURE 7. Location of receptacles for M24231/11-006.
9
For Parts Inquires submit RFQ to Parts Hangar, Inc.
© Copyright 2015 Integrated Publishing, Inc.
A Service Disabled Veteran Owned Small Business