W-C-596H/GEN

NOTES
1. Dimensions are in inches.
2. Metric equivalents are given for information only.
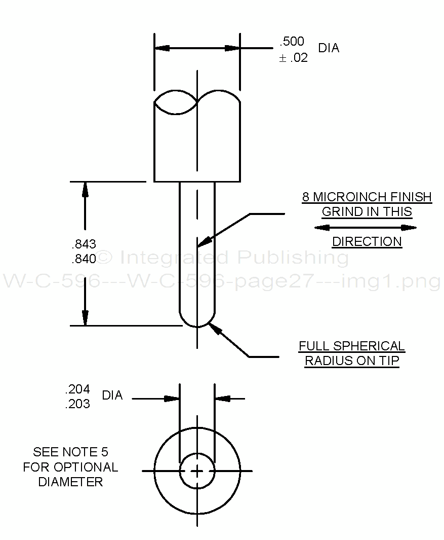
3. The ground pin is to be fastened to the handle in a rigid manner.
4. The pin shall be of steel having a Rockwell hardness of C-58 to 60. The handle shall be of cold rolled steel.
5. For a receptacle with a restricted ground socket throughway, the diameter shall be the minimum design diameter of the restriction +.000, -.002 (0.05 mm).
FIGURE 3. Conditioning tool No. 2.
27
For Parts Inquires submit RFQ to Parts Hangar, Inc.
© Copyright 2015 Integrated Publishing, Inc.
A Service Disabled Veteran Owned Small Business