W-C-596H/GEN

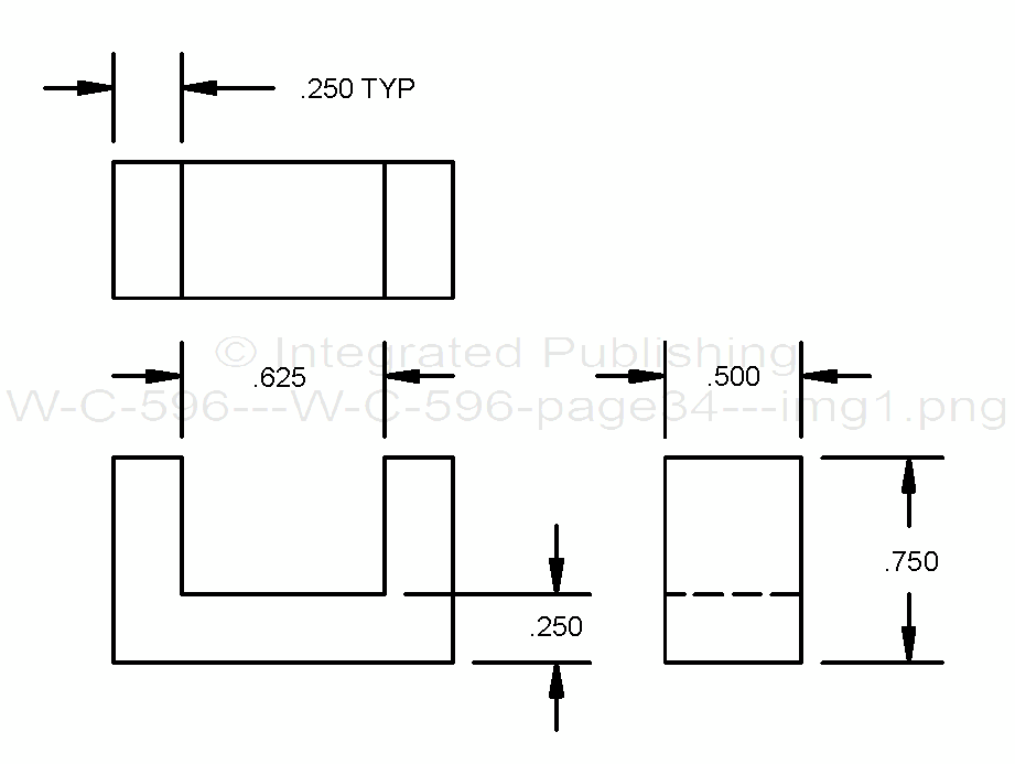
Inches |
mm |
.250 .500 .625 .750 |
6.35 12.70 15.88 19.05 |
NOTES
1. Dimensions are in inches.
2. Metric equivalents are given for information only.
3. Unless otherwise specified, tolerance is ± .005 (.013 mm).
4. The .625 (15.88 mm) may be varied so that the tool clears the strap of the receptacle.
5. The shape of the bridge may be varied to suit the back of the device being tested.
FIGURE 10. Bridge.
34
For Parts Inquires submit RFQ to Parts Hangar, Inc.
© Copyright 2015 Integrated Publishing, Inc.
A Service Disabled Veteran Owned Small Business