W-C-596H/GEN

Inches |
mm |
Inches |
mm |
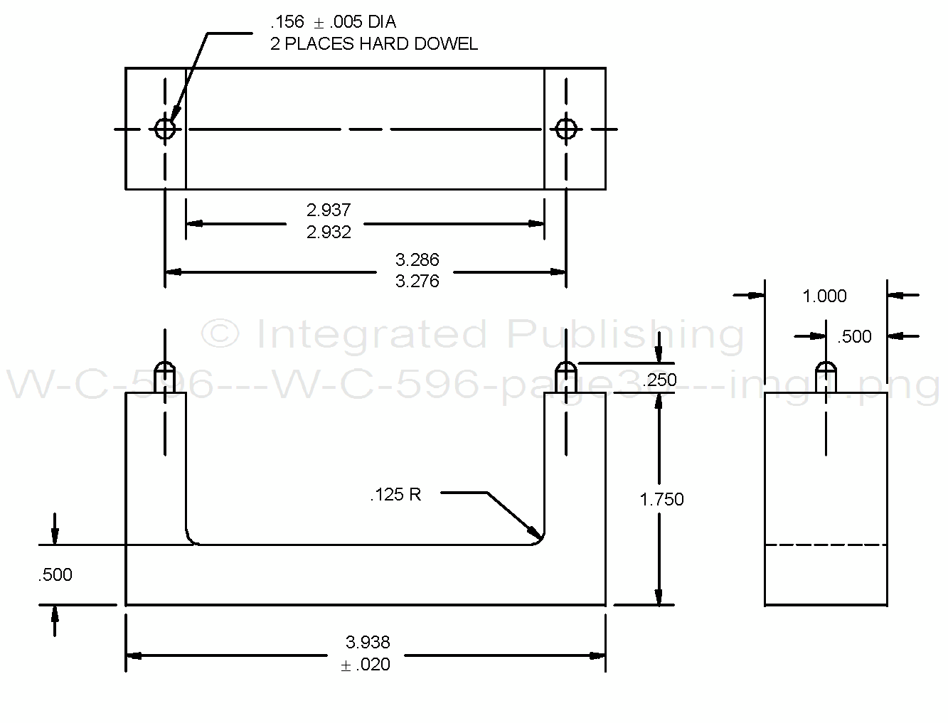
.005 .020 .125 .156 .250 .500 1.000 |
0.13 0.51 3.18 3.96 6.35 12.70 25.40 |
1.750 2.932 2.937 3.276 3.286 3.938 |
44.45 74.47 74.60 83.21 83.46 100.03 |
NOTES
1. Dimensions are in inches.
2. Metric equivalents are given for information only.
3. Unless otherwise specified tolerance is ± .010 (0.25 mm).
4. The handle shall be of cold rolled steel.
FIGURE 6. Fixture for assembly security tests.
30
For Parts Inquires submit RFQ to Parts Hangar, Inc.
© Copyright 2015 Integrated Publishing, Inc.
A Service Disabled Veteran Owned Small Business