W-C-596H/GEN

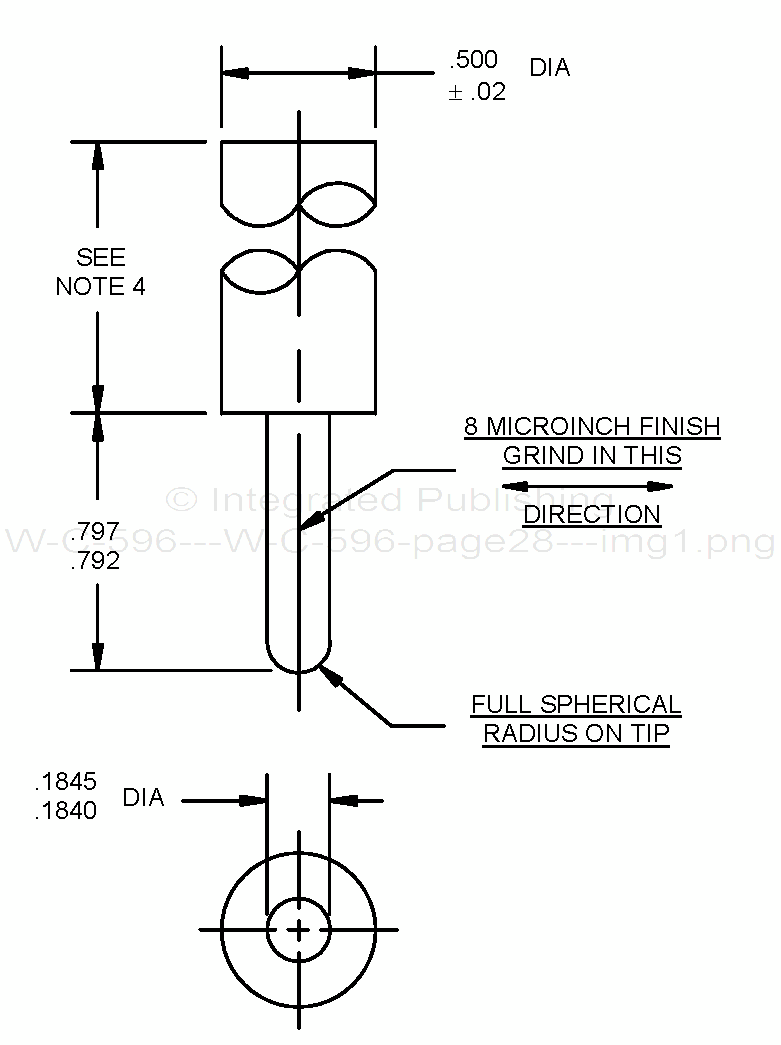
Inches |
mm |
.02 .1840 .1845 .500 .792 .797 |
0.5 4.674 4.686 12.70 20.12 20.24 |
NOTES
1. Dimensions are in inches.
2. Metric equivalents are given for information only.
3. The ground pin is to be fastened to the handle in a rigid manner.
4. Length to suit total tool weight of 4 ounces.
5. Axis of blade and axis on holder must have a combined concentricity and axial alinement tolerance of .006 (0.15 mm) maximum TIR.
6. The pin shall be of steel having a Rockwell hardness of C-58 to 60. The handle shall be of cold rolled steel.
7. For a receptacle with a restricted ground socket throughway, the diameter shall be the minimum design diameter of the restriction +.000, -.002 (0.05 mm).
FIGURE 4. Pull-out tool No. 2.
28
For Parts Inquires submit RFQ to Parts Hangar, Inc.
© Copyright 2015 Integrated Publishing, Inc.
A Service Disabled Veteran Owned Small Business