W-C-596H/GEN

Inches |
mm |
Inches |
mm |
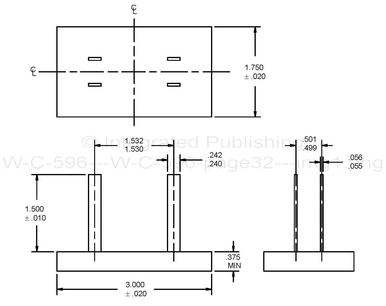
.010 .020 .055 .056 .240 .242 .375 |
0.25 0.51 1.40 1.42 6.10 6.15 9.52 |
.499 .501 1.500 1.530 1.532 1.750 3.000 |
12.67 12.73 38.10 38.86 38.91 44.45 76.20 |
NOTES
1. Dimensions are in inches.
2. Metric equivalents are given for information only.
3. Blades to be parallel to each other and perpendicular to the base within .006 (0.15 mm) TIR.
4. Length to suit total tool weight of 1.50 pounds.
5. Blades are to be fastened to the handle in a rigid manner.
6. Sharp edges shall be removed to a maximum radius of .015 inch (0.38 mm).
7. The blade shall be of steel having a Rockwell hardness of C-58 to 60. The handle shall be of cold rolled steel.
8. The fixture shall be of cold rolled steel.
FIGURE 8. Push out tool.
32
For Parts Inquires submit RFQ to Parts Hangar, Inc.
© Copyright 2015 Integrated Publishing, Inc.
A Service Disabled Veteran Owned Small Business