
MIL-DTL-28748/5E
Inches
mm
Inches
mm
Inches
mm
6.60
.260
2.29
.090
0.03
.001
7.11
.280
3.30
.130
0.05
.002
9.27
.365
3.63
.143
0.13
.005
11.43
.450
4.06
.160
0.3
.01
14.2
.56
4.83
.190
0.25
.010
15.24
.600
4.95
.195
1.02
.040
25.40
1.00
5.08
.200
1.65
.065
33.27
1.31
5.84
.230
1.91
.075
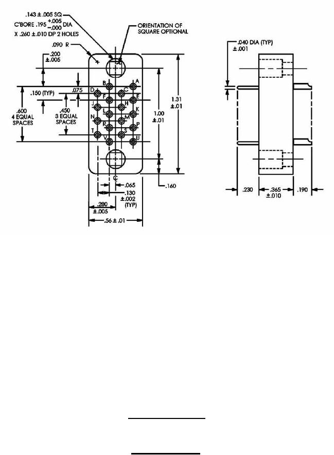
Insert with 18 contacts
Insert designator S
FIGURE 2. Insert arrangements - Continued.
5
For Parts Inquires submit RFQ to Parts Hangar, Inc.
© Copyright 2015 Integrated Publishing, Inc.
A Service Disabled Veteran Owned Small Business