
MIL-DTL-28748/6E
Inches
mm
Inches
mm
Inches
mm
Inches
mm
.002
0.05
.062
1.57
.234
5.94
.439
11.15
.003
0.08
.075
1.91
.250
6.35
.768
19.51
.005
0.13
.110
2.79
.251
6.38
.878
22.30
.010
0.25
.143
3.63
.254
6.45
1.536
39.01
.016
0.41
.150
3.81
.260
6.60
1.812
46.02
.02
0.5
.151
3.84
.365
9.27
2.390
60.71
.020
0.51
.180
4.57
.38
9.7
2.760
70.10
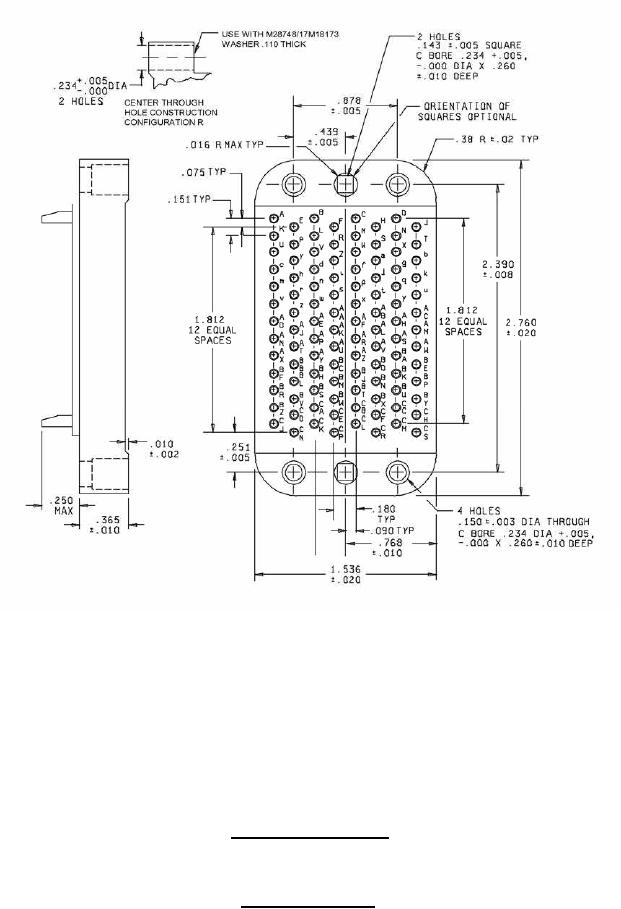
Configuration K - Suitable for all applications, except one-piece jackscrews.
Configuration R - For long jackscrews and shield only (through hole alternate construction).
Insert with 104 contacts
Insert designators J and Q
FIGURE 2. Insert arrangements - Continued.
12
For Parts Inquires submit RFQ to Parts Hangar, Inc.
© Copyright 2015 Integrated Publishing, Inc.
A Service Disabled Veteran Owned Small Business