
MIL-DTL-28748/6E
Inches
mm
Inches
mm
Inches
mm
.002
0.05
.130
3.30
.260
6.60
.005
0.13
.143
3.63
.280
7.11
.010
0.25
.150
3.81
.365
9.27
.01
0.3
.155
3.94
.450
11.43
.065
1.65
.160
4.06
.56
14.2
.075
1.91
.190
4.83
.600
15.24
.090
2.29
.195
4.95
1.00
25.40
.200
5.08
1.31
33.27
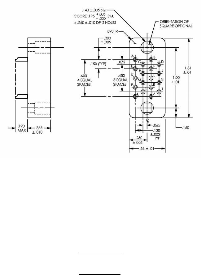
Insert with 18 contacts
Insert designator S
FIGURE 2. Insert arrangements - Continued.
5
For Parts Inquires submit RFQ to Parts Hangar, Inc.
© Copyright 2015 Integrated Publishing, Inc.
A Service Disabled Veteran Owned Small Business