
INCH-POUND
MIL-DTL-28748/2E
9 September 2004
SUPERSEDING
MIL-DTL-28748/2D
11 May 1999
DETAIL SPECIFICATION SHEET
CONNECTORS, ELECTRICAL, RECTANGULAR,
RACK AND PANEL, SOLDER TYPE SOCKET CONTACTS, SIZE 16
This specification is approved for use by all Departments and Agencies of the Department of Defense.
The requirements for acquiring the product described herein shall consist of this specification sheet and
MIL-DTL-28748.
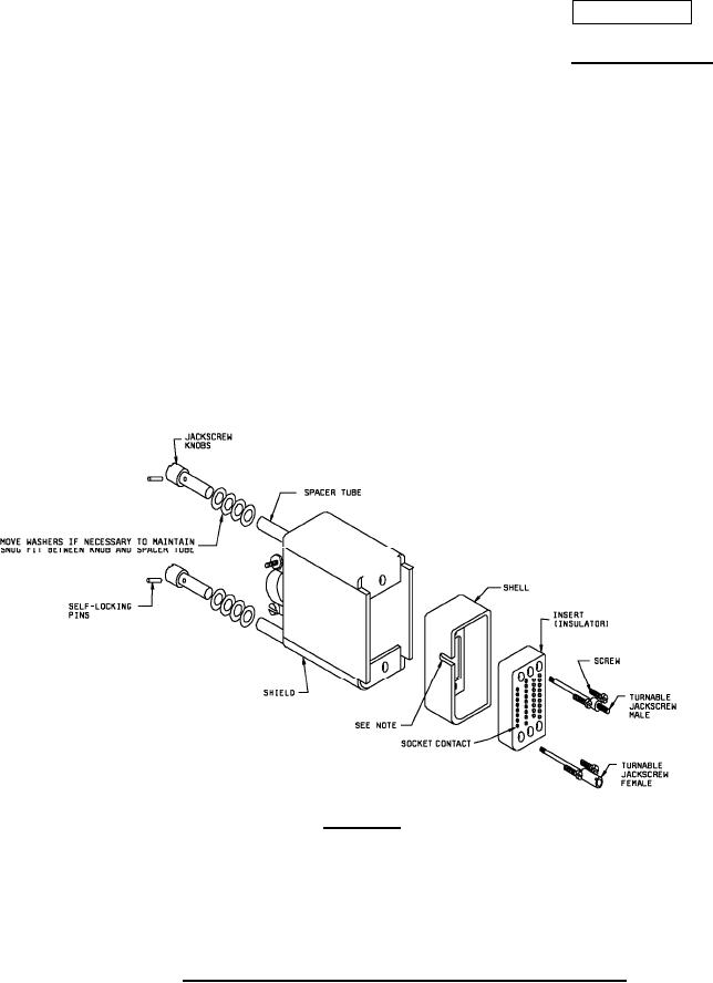
SOCKET CONTACT
Connector
NOTE: The polarization feature (groove on the receptacle shell, pin on the plug shell) shall be adjacent
to the side closest to the number 1 or A contact position.
Configuration A
FIGURE 1. Connector with shield, plug shell, jackscrews, and guidepins.
AMSC N/A
FSC 5935