
MIL-DTL-28748/2E
Inches
mm
Inches
mm
Inches
mm
6.60
.260
2.29
.090
0.05
.002
9.27
.365
2.79
.110
0.08
.003
9.65
.38
3.63
.143
0.13
.005
11.15
.439
3.81
.150
0.20
.008
19.51
.768
3.84
.151
0.25
.010
22.30
.878
4.57
.180
0.41
.016
39.01
1.536
5.94
.234
0.5
.02
45.87
1.806
6.35
.250
0.51
.020
60.68
2.389
6.45
.254
1.91
.075
70.33
2.769
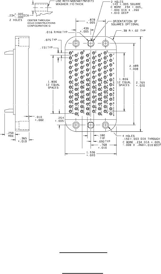
Configuration J - Suitable for all applications, except one-piece jackscrews.
Configuration Q - For long jackscrews and shield only (through hole alternate construction).
Insert with 104 contacts
Insert designators J and Q
FIGURE 2. Insert arrangements - Continued.
10