
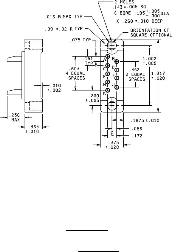
MIL-DTL-28748/2E
Inches
mm
Inches
mm
Inches
mm
.002
0.05
.086
2.18
.250
6.35
.005
0.13
.09
2.3
.260
6.60
.010
0.25
.143
3.63
.365
9.27
.016
0.41
.151
3.84
.375
9.53
.02
0.5
.172
4.37
.452
11.48
.020
0.51
.1875
4.762
.603
15.32
.075
1.91
.195
4.95
1.002
25.45
.200
5.08
1.317
33.45
Insert with 9 contacts
Insert designator A
FIGURE 2. Insert arrangements.
2