
MIL-DTL-28748/3F
Inches
mm
.002
0.05
.005
0.13
.008
0.20
.010
0.25
.016
0.41
.075
1.91
.090
2.79
.110
2.79
.143
3.63
.150
3.81
.180
4.57
.234
5.94
.250
6.35
.260
6.60
.370
9.40
.375
9.53
.438
11.13
.525
13.34
.7655
19.44
.875
22.23
1.531
38.89
1.800
45.72
2.048
52.02
2.375
60.33
2.750
69.85
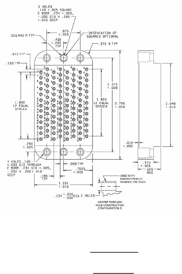
Configurations L - Suitable for all applications, except one-piece jackscrews.
Configurations S - For long jackscrews and shield only (through hole alternate construction).
Insert with 104 contacts
Insert designators L and S
FIGURE 2. Insert arrangements - Continued.
12
For Parts Inquires submit RFQ to Parts Hangar, Inc.
© Copyright 2015 Integrated Publishing, Inc.
A Service Disabled Veteran Owned Small Business