
MIL-DTL-28748/3F
Inches
mm
0.05
.002
0.08
.003
0.13
.005
0.20
.008
0.25
.010
0.41
.016
0.5
.02
0.51
.020
1.91
.075
2.8
.09
2.29
.090
2.79
.110
3.00
.118
3.63
.143
3.81
.150
4.57
.180
4.95
.195
5.94
.234
6.35
.250
6.60
.260
9.40
.370
9.53
.375
11.89
.468
13.34
.525
19.05
.750
34.29
1.350
38.10
1.500
42.47
1.672
50.80
2.000
58.72
2.312
Configuration G - Suitable for all applications, except one-piece jackscrews.
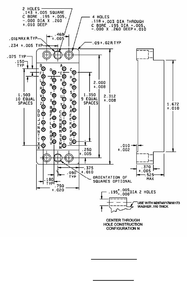
Configuration N - For long jackscrews and shield only (through hole alternate construction).
Insert with 42 contacts
Insert designators G and N
FIGURE 2. Insert arrangements - Continued.
8
For Parts Inquires submit RFQ to Parts Hangar, Inc.
© Copyright 2015 Integrated Publishing, Inc.
A Service Disabled Veteran Owned Small Business