
MIL-DTL-28748/3F
Inches
mm
Inches
mm
Inches
mm
.002
0.05
.143
3.63
.300
7.62
.005
0.13
.150
3.81
.370
9.40
.010
0.25
.172
4.37
.375
9.53
.016
0.41
.1875
4.765
.450
11.43
.075
1.91
.195
4.95
.525
13.34
.086
2.18
.228
5.79
.660
16.76
.09
2.29
.260
6.60
.906
23.01
1.220
30.99
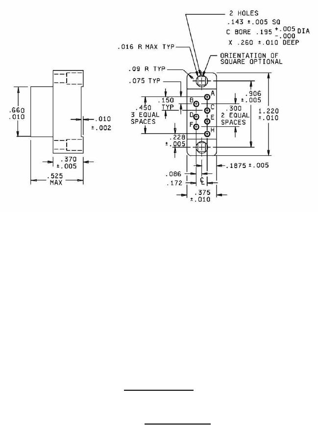
Insert with 7 contacts
Insert designator A
FIGURE 2. Insert arrangements.
2
For Parts Inquires submit RFQ to Parts Hangar, Inc.
© Copyright 2015 Integrated Publishing, Inc.
A Service Disabled Veteran Owned Small Business